Published:2009/7/10 1:36:00 Author:May | From:SeekIC

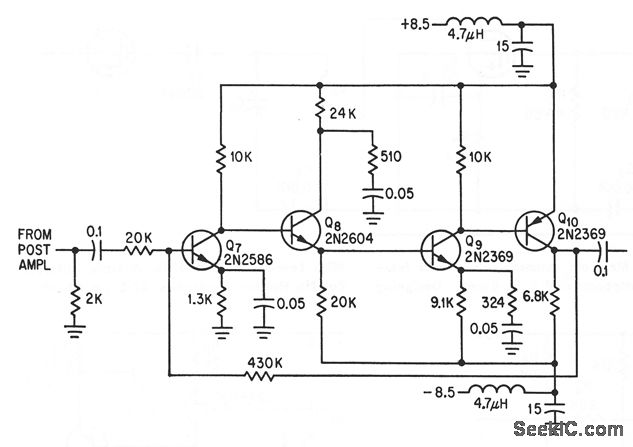
Direct-coupled voltage amplifier of with a-c couplifig at input and output has loop gain of 36 for bond-width of 1 Mc, including low-impedance driver biting Q10.-R. Cuikay and T.Callahan,Or-biting Observatory to Measure Stars'Dim Light,Electronics,37:9,p 28-31.
Reprinted Url Of This Article:
http://www.seekic.com/circuit_diagram/Amplifier_Circuit/DISCRIMINATOR__AMPLIFIER.html
Print this Page | Comments | Reading(3)
Code: