Published:2011/5/25 21:15:00 Author:Christina | Keyword: data interface, driver, receiver, combination | From:SeekIC

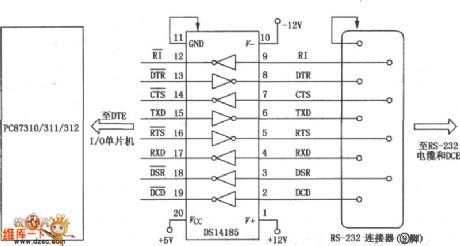
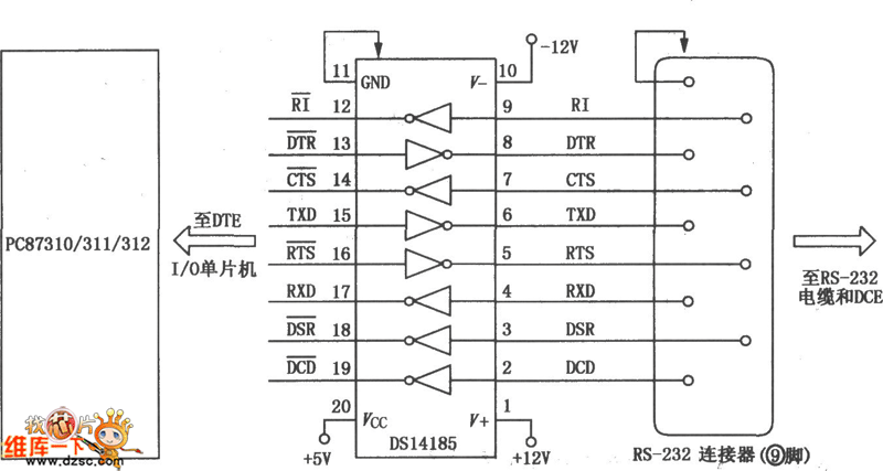
The DS14185 is composed of three drivers and five receivers, it has the DC-DC converter and does not need the +12V power supply. The DS14185 has the noise filter inside, so there is no need to add the rate conversion filter capacitance. The DS14185 can be used in the applications of the data terminal equipment (DTE) and the data circuit terminal equipment (DCE). The drive input port and the receiver output port is compatible with the TTL or CMOS circuit. From the data terminal equipment (DTE)'s transmission interface to the data circuit terminal equipment (DCE)'s transmission interface, there are nine pins, among them there are two data lines and six control lines. The data lines are the TXD and RXD, and the control line are the RTS、DTR、DSRT、DCE、CTS、RI. The DS14185 supplies the DTE interface, the wiring method is as shown in the figure.
Reprinted Url Of This Article:
http://www.seekic.com/circuit_diagram/Amplifier_Circuit/DS14185_data_interface_driver_receiver_combination_circuit.html
Print this Page | Comments | Reading(3)
Code: