Published:2009/7/20 22:38:00 Author:Jessie | From:SeekIC

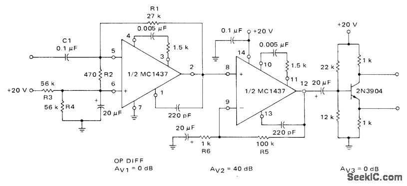
First section of Motorola MC1437 dual opamp is connected as operational differentiator driving direct-coupled noninverting opamp. Single-ended output is converted to push-pull by following phase-split-ting amplifier for driving power amplifier of 115-V 60-Hz servomotor.-A. Pshaenich, Servo Motor Drive Amplifiers, Motorola, Phoenix, AZ, 1972, AN-590.
Reprinted Url Of This Article:
http://www.seekic.com/circuit_diagram/Amplifier_Circuit/DUAL_OPAMP_PREAMP.html
Print this Page | Comments | Reading(3)
Code: