Published:2011/6/29 1:58:00 Author:Fiona | Keyword: Dual-tone phone, dial monitor | From:SeekIC

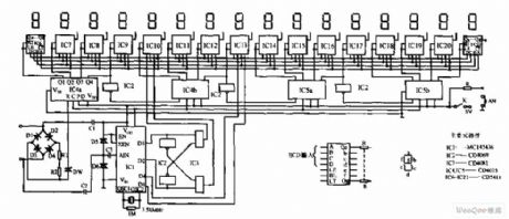
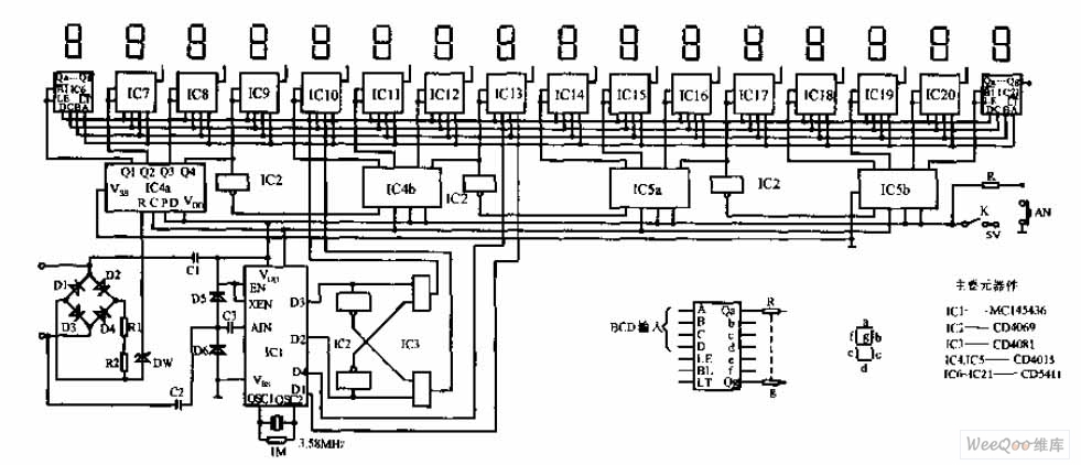
Dual-tone phone dial monitor circuit is shown as below,this circuit is composed of fixed-pole circuit(D1~D4,R1,R2,DW),dual audio decoding circuit(MC145436),BCD code conversion circuit (inverter A,B,two-input gates C,D),shift display circuit (IC4,IC5,IC3,IC2,IC6 ~ IC21) and other parts.
Reprinted Url Of This Article:
http://www.seekic.com/circuit_diagram/Amplifier_Circuit/Dual_tone_phone_dial_monitor_circuit.html
Print this Page | Comments | Reading(3)
Code: