Published:2009/7/3 2:09:00 Author:May | From:SeekIC

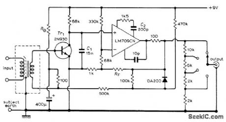
Used to amplify voltages in range of several microvolts to several millivolts in frequency spectrum of 20 to 5000 Hz, as picked up with 13-mm thin silver disks placed on skin over muscle being studied.Article also covers electrocardiographin applications involving source impedances as high as 50 kilohms (as with one electrode on each wrist). Maximum output capability is 9 V P-P.Voltage gain is 1000. RF is 800K pot, ad lusted to give 12 dB per octave dropoff above turnover frequency.-R. E. George, Simple Amplifier for Muscle Voltages, Wireless World, Oct. 1972, p 495-496.
Reprinted Url Of This Article:
http://www.seekic.com/circuit_diagram/Amplifier_Circuit/ELECTROMYOGRAM_AMPLIFIER.html
Print this Page | Comments | Reading(3)
Code: