Published:2009/7/21 6:23:00 Author:Jessie | From:SeekIC

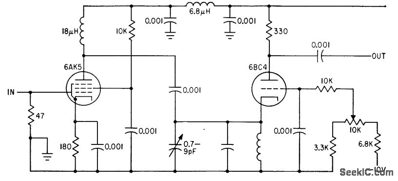
For search radar, potentiometer adjusts bias on 6BC4 tube of 30-Mc i-f preamp to vary bandwidth over range of 200 kc to 15 Mc.-Variable Bandwidth Preamplifier Electronically Varied Between 15 Mc and 200 Kc, Electronics, 35:2, p 102.
Reprinted Url Of This Article:
http://www.seekic.com/circuit_diagram/Amplifier_Circuit/ELECTRONICALLY_CONTROLLED_BANDWIDTH_.html
Print this Page | Comments | Reading(3)
Code: