Published:2009/6/19 4:51:00 Author:May | From:SeekIC

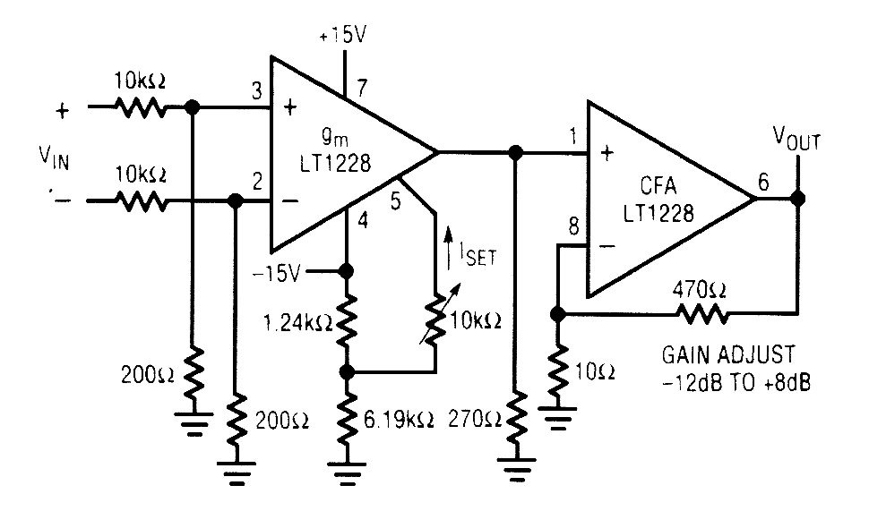
An LT1228 transconductance amplifier iS used in this application The gain is adjustable from-12to+8dB.
Reprinted Url Of This Article:
http://www.seekic.com/circuit_diagram/Amplifier_Circuit/ELECTRONICALLY_CONTROLLED_VARIABLE_GAIN_VIDEO_LOOP_THROUGH_AMPLIFIER__.html
Print this Page | Comments | Reading(3)
Code: