Published:2009/6/24 3:01:00 Author:Jessie | From:SeekIC

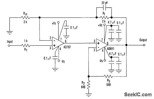
An ultra-low-noise, low-distortion op amp-the AD797-is combined with the AD811 op amp, which offers a high bandwidth and a 100-mA output drive capability. The composite-amplifier circuit serves quite well when driving high resolution ADC's and ATE systems.
The fast AD811 operates at twice the gain of the AD797 so that the slower amplifier need only slew one-half of the total output swing. Using the component values shown, the circuit is capable of better than -90 dB THD with a ±5-V, 500-kHz output signal. If a 100-kHz sine-wave input is used, the circuit will drive a 600-Ω load to a level of 7 V rms with less than -109 dB THD, as well as a 10-kΩ load at less than -117 dB THD.
The device can be modified to supply an overall gain of 5 by changing both the Rf/Rin ratio and R3/R2 ratio to 4: 1. This raises the gains of AD811 and the total circuit while maintaining the AD797 at unity gain. If only the Rf/Rin ratio is changed, the circuit might become unstable. In contrast, if only the R3/R2 ratio is varied, the AD797 will then operate at gain. Subsequently, the circuit will have a lower overall bandwidth. R1 should be equal to the parallel combination of Rin and Rf.
Reprinted Url Of This Article:
http://www.seekic.com/circuit_diagram/Amplifier_Circuit/FAST_COMPOSITE_AMPLIFIER.html
Print this Page | Comments | Reading(3)
Code: