Published:2009/7/15 23:14:00 Author:Jessie | From:SeekIC

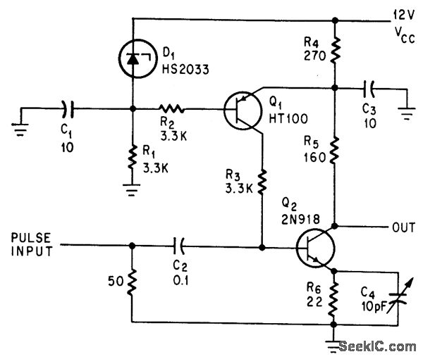
Achieved by precise bias control of Q2 without introducing pclrclsifics in input signal Iine. Gives high gain-band-width product as pulse amplifier.-D. D. McLeod, Bias Control and Low Parasitics Shorten Amplifier Rise Time, Elecnonics, 39:2, p 73-74.
Reprinted Url Of This Article:
http://www.seekic.com/circuit_diagram/Amplifier_Circuit/FAST_RISE_TIME.html
Print this Page | Comments | Reading(3)
Code: