Published:2009/7/21 6:07:00 Author:Jessie | From:SeekIC

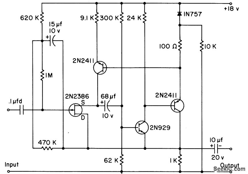
Drain and gate divider are bootstrapped in phase with source, to reduce input capacitance of fet to minimum so only real part of input impedance is seen at high frequencies, in unity-gain high-input-impedance wideband preamplifier. Low-frequency input impedance is 100 meg. Frequency response is within 3 db up to 10 Mc for 50-ohm generator resistance, to 1 Mc for 100,000 ohms, and to 0.1 Mc for 1 meg.-Texas Instruments Inc., Solid-State Communications, McGraw-Hill, N.Y., 1966, p 138.
Reprinted Url Of This Article:
http://www.seekic.com/circuit_diagram/Amplifier_Circuit/FET_PNP_BOOTSTRAPPED_SOURCE_FOLLOWER_.html
Print this Page | Comments | Reading(3)
Code: