Published:2009/7/6 3:14:00 Author:May | From:SeekIC

Reprinted Url Of This Article:
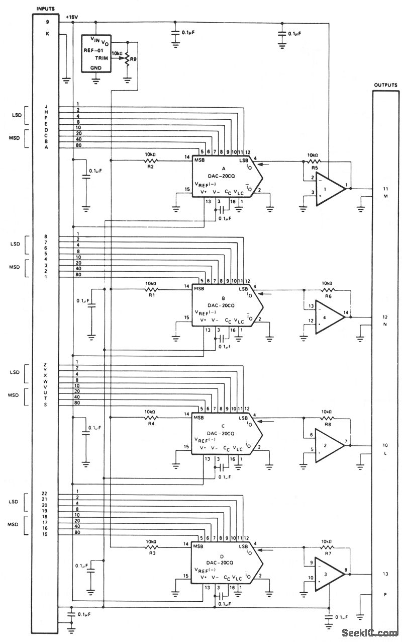
http://www.seekic.com/circuit_diagram/Amplifier_Circuit/FOUR_CHANNEL_D_A_OUTPUT_AMPLIFIER.html
Print this Page | Comments | Reading(3)
Code: