Published:2009/7/15 20:07:00 Author:Jessie | From:SeekIC

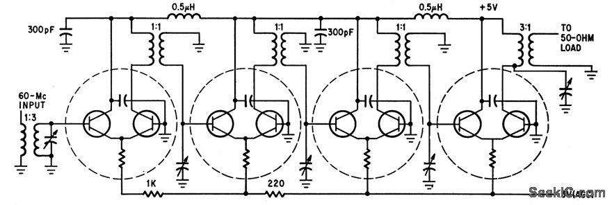
Four differential-amplifier integrated circuits serve as 60.Mc i-f f-m limiter having 6-Mc bandwidth and 80 db power gain.-R. Hirschfeld, IC's lmproveDifferential Amplifiers-and Vice Versa.Electronics.38:16,p75-79.
Reprinted Url Of This Article:
http://www.seekic.com/circuit_diagram/Amplifier_Circuit/F_M_LIMITER.html
Print this Page | Comments | Reading(3)
Code: