© 2008-2012 SeekIC.com Corp.All Rights Reserved.
Published:2009/7/14 3:14:00 Author:May | From:SeekIC

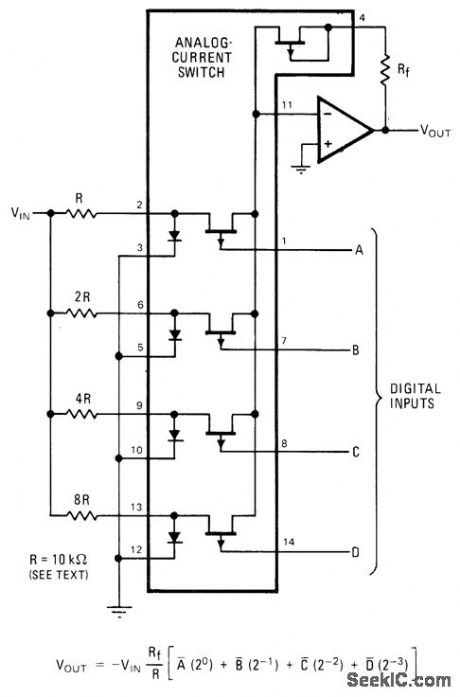
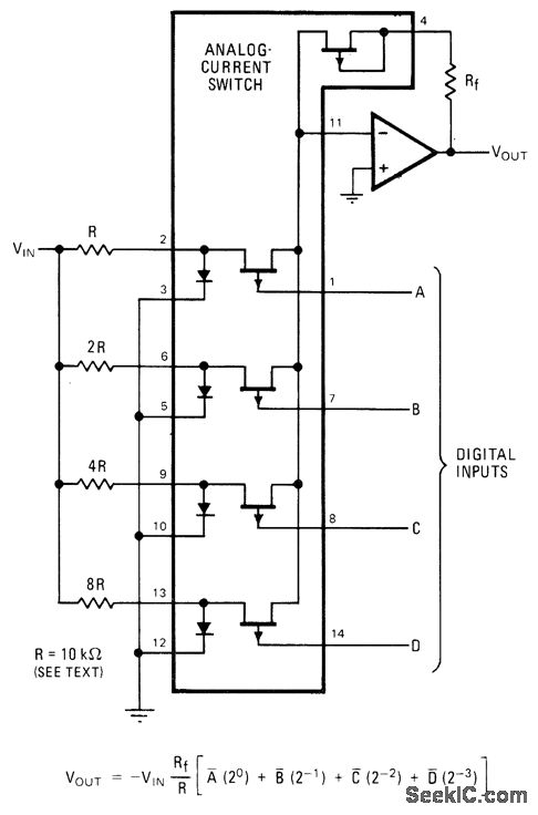
National AH5010 4-bit current-mode analog switch for TTL input is used with general-purpose opamp such as LM118 to give multiplying D/A converter at low cost. For CMOS control logic, use AM97C10 switch. Use of 10K for gain-programming resistor R gives compromise between switch resistance and switch leakage. Use 0.2% tolerance resistors for R and 2R, 0.5% for 4R, and 5% for highest resistance, with 0.1% tolerance for feedback resistor Rf which is also 10K, to give overall accuracy within 0.2%.-J. Maxwell, Analog Current Switch Makes Gain-Programmable Amplifier, Electronics, Feb. 17, 1977, p 99 and 101.
Reprinted Url Of This Article:
http://www.seekic.com/circuit_diagram/Amplifier_Circuit/GAIN_PROGRAMMABLE_AMPLIFIER.html
Print this Page | Comments | Reading(3)
Response in 12 hours
© 2008-2012 SeekIC.com Corp.All Rights Reserved.
Code: