Published:2009/7/14 4:08:00 Author:May | From:SeekIC

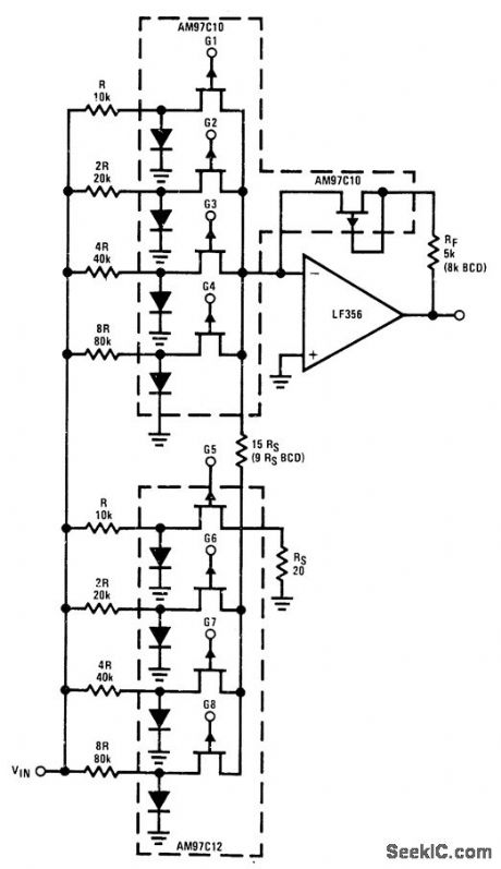
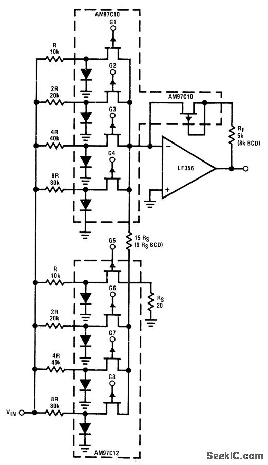
8-bit multiplying D/A converter using cascaded 4-bit sections provides logic-controlled gain for signal preconditioning, level control, and dynamic range expansion. Logic 0 turns JFET switch on, and logic 1 turns switch off. Series FET in feed-back path of opamp compensates for ON resistance of JFET switch. Circuit has gain of 0.9996 (binary) with 5K feedback resistor and gain of 0.99 (BDC) with 8K feedback resistor.- FET Databook, National Semiconductor, Santa Clara, CA, 1977, p 6-47-6-49.
Reprinted Url Of This Article:
http://www.seekic.com/circuit_diagram/Amplifier_Circuit/GAIN_PROGRAMMED_AMPLIFIER.html
Print this Page | Comments | Reading(3)
Code: