Published:2009/6/19 1:58:00 Author:May | From:SeekIC

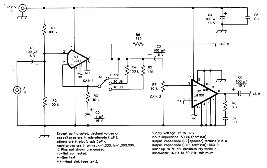
Schematic of the general-purpose AF amplifier.All resistors are 1/4-W,5%-tolerance carbon-com-position or metal-film units,Equivalent parts can be substituted,General purpose IC replacementsare shown in parentheses
Reprinted Url Of This Article:
http://www.seekic.com/circuit_diagram/Amplifier_Circuit/GENERAL_PURPOSE_AF_AMPLIFIER.html
Print this Page | Comments | Reading(3)
Code: