Published:2011/8/25 7:41:00 Author:Nancy | Keyword: audio, power amplifier | From:SeekIC

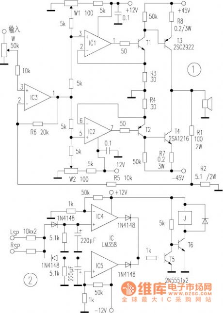
The circuit is shown as above, IC1 and T1, IC2 and T2 form the current negative feedback absorption constant current source respectively, which are the voltage,the current transition and amplification of the the positive half cycle and negative half cycle of the audio signal, which makes that the base current of T3 and T4 is only controlled by the input voltage of IC1 and IC2, in other words, once the the op-amp input is a constant voltage value, the current which flows throught the collector current of the final stage transistor is also a constant value.The W1, W2 (multiturn potentiometer) are respectively used to adjust the static current and output zero of T3 and T4, and the IC3 and R1, R2, R5 form the quasi current negative circuit, as long as you change the corresponding resistance value of R3, R4 or R2, R6, you can change the value of the gain.
Reprinted Url Of This Article:
http://www.seekic.com/circuit_diagram/Amplifier_Circuit/HA1392_audio_power_amplifier_circuit_diagram.html
Print this Page | Comments | Reading(3)
Code: