Published:2009/6/15 22:48:00 Author:May | From:SeekIC

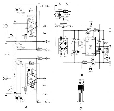
Built around Precision Monolithics Inc. OP-50 op amps,this amplifier will drive 100-Ω to 1-kΩ headphone,is flat within 0.4 dB from 10 Hz to 20 kHz,and has a THD of less than 0.01% over most of the audio range. Amplification factor is about 6X.
Reprinted Url Of This Article:
http://www.seekic.com/circuit_diagram/Amplifier_Circuit/HEADPHONE_AMPLIFIER.html
Print this Page | Comments | Reading(3)
Code: