Published:2009/6/24 22:07:00 Author:May | From:SeekIC

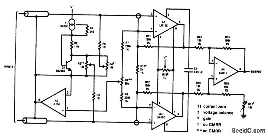
This circuit includes input guarding, cable bootstrapping, and bias current compensation. Differential bandwidth is reduced by C1 which also makes common-mode rejection less dependent on matching of input amplifiers.
Reprinted Url Of This Article:
http://www.seekic.com/circuit_diagram/Amplifier_Circuit/HIGH_GAIN_DIFFERENTIAL_INSTRUMENTATION_AMPLIFIER.html
Print this Page | Comments | Reading(3)
Code: