Published:2009/6/30 1:26:00 Author:May | From:SeekIC

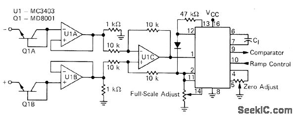
Two sections of Motorola MC3403 quad opamp serve as voltage followers for differential inputs of third section connected as buffer for MC1505 A/D converter.Dual transistor 01, connected as dual diode, provides 0.6-V offset at inputs of voltage followers, to obtain temperature tracking and predictable performance at low bias currents of opamp.—D. Aldridge and S. Kelley, Input Buffer Circuits for the MC1505 Dual Ramp A-to-D Converter Subsystem, Motorola, Phoenix, AZ, 1976, EB-24A.
Reprinted Url Of This Article:
http://www.seekic.com/circuit_diagram/Amplifier_Circuit/HIGH_IMPEDANCE_BUFFER.html
Print this Page | Comments | Reading(3)
Code: