Published:2009/7/10 5:05:00 Author:May | From:SeekIC

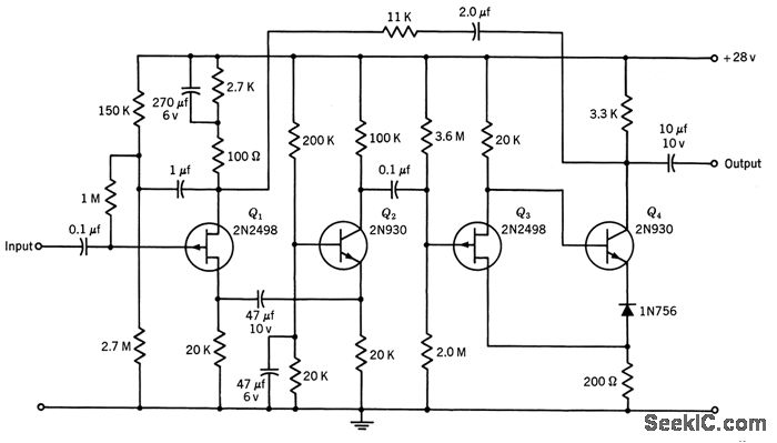
Gives input impedance of 30 meg without sacrificing bandwidth or noise performance.Voltage gain is 40 db, Technique involves bootstrapping fet Q1 and using fixed bias for its gate. Q2 is operoted grounded-base to reduce Miller capacitance of field effect at high frequencies.-Texus Instruments Inc., Transistor Circuit Design, McGraw-Hill,N.Y.,1963, p 520.
Reprinted Url Of This Article:
http://www.seekic.com/circuit_diagram/Amplifier_Circuit/HIGH_INPUT_IMPEDANCE_A_C_AMPLIFIER.html
Print this Page | Comments | Reading(3)
Code: