Published:2009/6/18 22:39:00 Author:May | From:SeekIC



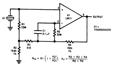
This figure shows an op amp used as an ac amplifier. It is unusual in that dc bootstrapping is used to obtain high input resistance without requiring high-value resistors. In theory, this increases the output offset because the op amp offset voltage is multiplied by the resistance boost.But when conventional resistor values are used, it is practical to include R5 to eliminate bias-current error. This gives less output offset than if a single, large resistor were used. C1 is included to reduce noise.
Reprinted Url Of This Article:
http://www.seekic.com/circuit_diagram/Amplifier_Circuit/HIGH_INPUT_IMPEDANCE_ac_AMPLIFIER.html
Print this Page | Comments | Reading(3)
Code: