Published:2009/7/13 4:06:00 Author:May | From:SeekIC

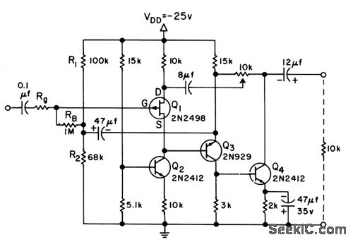
Bias current is obtained from common-base current gen ercttor Q2. Q3 and Q4 function as complementary current multiplier. Bootstrapping for RB is obtained directly from emitter of Q3.Voltage gain is 2 and input impedance is 200 meg. Response is flat within 3 db from 1 to 500 kc with generator resistance of 1 meg.-Texas Instruments Inc., Solid-State Communications, McGraw-Hill,N.Y., 1966, p 187.
Reprinted Url Of This Article:
http://www.seekic.com/circuit_diagram/Amplifier_Circuit/HIGH_INPUT_Z_FET_AMPLIFIER.html
Print this Page | Comments | Reading(3)
Code: