Published:2009/6/24 22:47:00 Author:May | From:SeekIC

Reprinted Url Of This Article:
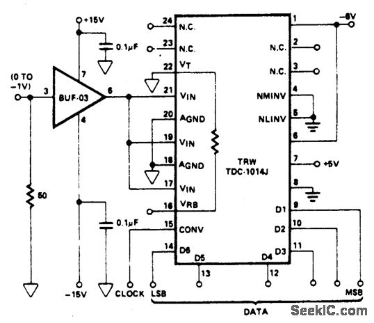
http://www.seekic.com/circuit_diagram/Amplifier_Circuit/HIGH_SPEED_6_BIT_A_D_BUFFER.html
Print this Page | Comments | Reading(3)
Code: