Published:2009/7/14 22:39:00 Author:Jessie | From:SeekIC




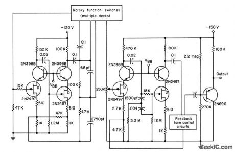
Breakdown voltage of commercial fet's is extended by using direct.coupled cascade connection with low-cost germanium transistor.-L. J. Sevin, Jr., Field Effect Transistors, McGraw-Hill, N.Y., 1965, p 73.
Reprinted Url Of This Article:
http://www.seekic.com/circuit_diagram/Amplifier_Circuit/HI_FI_FET_PREAMP.html
Print this Page | Comments | Reading(3)
Code: