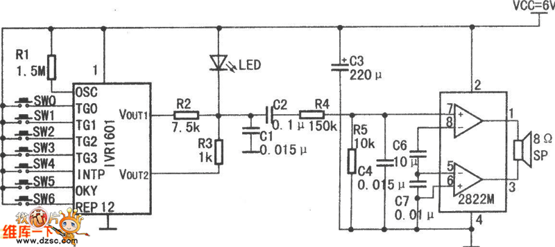
Published:2011/3/24 22:09:00 Author:may | Keyword: external small power audio amplifier | From:SeekIC

Reprinted Url Of This Article:
http://www.seekic.com/circuit_diagram/Amplifier_Circuit/HY8000A_external_small_power_audio_amplifier_circuit_circuit.html
Print this Page | Comments | Reading(3)
Code: