Published:2009/7/10 23:14:00 Author:May | From:SeekIC

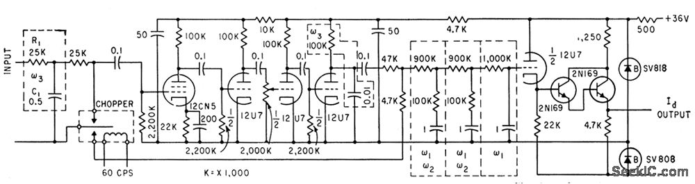
Used for calibrating a-c ammeters and voltmeters directly to standard cell.Use of tubes with chopper amplifier gives good temperature stability. Output to thermocouple is 7.5 ma.-E.A. Gilbert, Feedback Circuits for A-C Instrument Calibration,Electronics,33:40,p94-96
Reprinted Url Of This Article:
http://www.seekic.com/circuit_diagram/Amplifier_Circuit/HYBRID_D_C_FEEDBACK_AMPLIFIER.html
Print this Page | Comments | Reading(3)
Code: