Published:2011/9/9 1:02:00 Author:John | Keyword: Half-bridge power conversion | From:SeekIC

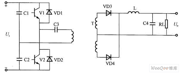
Half-bridge power conversion circuit can solve the imbalance for a push-pull power conversion circuit without any additional complexity for the circuit. Figure shows the half-bridge power conversion circuit. Just as the figure shows, one end of the power transformer primary winding is connected in series with the midpoint of capacitors C1 and C2 in the half-bridge power conversion circuit. Due to the capacitor’s dividing effect. The other end of power transformer is connected to the emitter of power transistor V1 and phase collector of V2 through capacitor C3.
Reprinted Url Of This Article:
http://www.seekic.com/circuit_diagram/Amplifier_Circuit/Half_bridge_power_conversion_circuit.html
Print this Page | Comments | Reading(3)
Code: