Published:2011/7/9 4:21:00 Author:chopper | Keyword: Half-wave, synchronous, rectification circuit, MOSFET | From:SeekIC

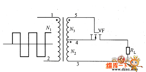
Half-wave synchronous rectification circuit with MOSFET is shown as picture
Reprinted Url Of This Article:
http://www.seekic.com/circuit_diagram/Amplifier_Circuit/Half_wave_synchronous_rectification_circuit_with_MOSFET.html
Print this Page | Comments | Reading(3)
Code: