Published:2012/10/10 1:56:00 Author:muriel | Keyword: HiFi Headphone, Amplifier | From:SeekIC




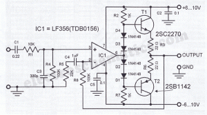
This HiFi headphone amplifier circuit design is normally used to drive a headphone with a relative low impedance. It provides one watt power output and it can also be applied as an output stage for preamplifiers in conjuction with active loudspeakers boxes. The headphone amp is composed of an OP-AMP and an additional transistor amplifier. Input signals pass through a low pass filter composed of R1-C2. Its applification together with a relatively “fast” OPAMP provides a low distortion factor.The standby current is preset by diodes D1…D4 and R7-R8. The feedback resistors R3 and R4 set the amplification factor at about 15 dB. The distorsion factor is aound 0.1 % with a bandwidth of 10 Hz to 30 kHz.The headphone amplifier provides a maximum output of 1 watt to an 8 ohm load by an input level of 500 mV. High impedance headphones can be connected. The circuit can also drive a 4 ohm speaker.
Headphone amp circuit diagram
In order to prevent the output transistors from being destroyed in case of an output short circuit, they must be heatsinked. The transistors must also be electrically isolated from heatsink. Supply voltage can be provided by an adaptor with 6-8 volts DC output.
Headphones amplifier PCB layout
Reprinted Url Of This Article:
http://www.seekic.com/circuit_diagram/Amplifier_Circuit/HiFi_Headphone_Amplifier_circuit.html
Print this Page | Comments | Reading(3)
Code: