Published:2009/7/17 2:41:00 Author:Jessie | From:SeekIC

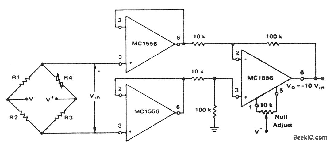
High-impedance bridge amplifier using three MC1556 op amps (courtesy Motorola Semiconductor Products Inc.).
Reprinted Url Of This Article:
http://www.seekic.com/circuit_diagram/Amplifier_Circuit/High_impedance_bridge_amplifier_using_three_MC1556_op_amps.html
Print this Page | Comments | Reading(3)
Code: