Published:2011/7/1 1:08:00 Author:TaoXi | Keyword: High performance, logic command control, gain, amplifier | From:SeekIC

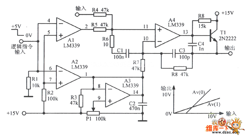
The High performance logic command control gain amplifier circuit is as shown in the figure:
Reprinted Url Of This Article:
http://www.seekic.com/circuit_diagram/Amplifier_Circuit/High_performance_logic_command_control_gain_amplifier_circuit.html
Print this Page | Comments | Reading(3)
Code: