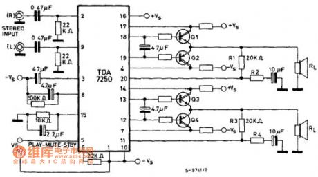
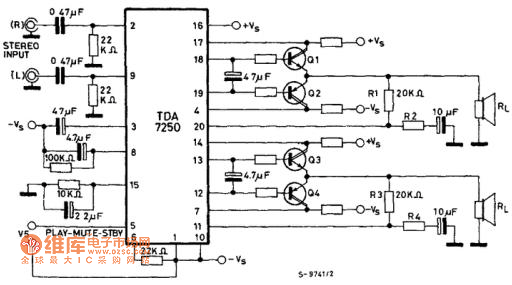
Published:2011/4/15 2:24:00 Author:Jessie | Keyword: High-power tube, amplifier | From:SeekIC

Reprinted Url Of This Article:
http://www.seekic.com/circuit_diagram/Amplifier_Circuit/High_power_tube_amplifier_circuit.html
Print this Page | Comments | Reading(3)
Code: