Published:2013/3/14 3:26:00 Author:Ecco | Keyword: high quality, monoblock power amplifier | From:SeekIC

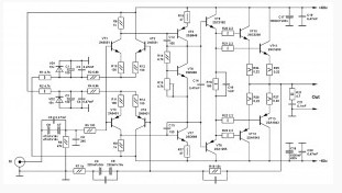
This high quality monoblock power amplifier is a good transistor amplifier circuits. And with a simple high quality power amplifier circuit that can produce good sound quality. This amplifier is built on the classic symmetrical scheme with output stage operates in class AB and has a pretty good sound, with no complicated setup and scarce components.Correctly assembled amplifier is immediately reduced to setting the quiescent current setting. It put up trimmer R15. First, put a minimum quiescent current and allow the amplifier to work for 15-20 minutes on medium power. After this input shorting switch off and expose the acoustics of a quiescent current of 50-80 mA. It measures the decline in voltage on the resistors R24 – R27, it should be in the range 0,22-0,36 V. The voltage on the right and the left arm might be slightly different. The scheme is desirable to use film capacitors K73-17 or foreign analogues, C8, C12, C13 – can be ceramics. Weekends and proximity with transistors it is desirable to choose pairs, well, at least one of the parties, as mutually desirable to select and VT1, VT3 and VT2, VT4. In the photo resistors R1 and R2 at 0.25 W, and later they were replaced by 2W, although enough of resistors and 0.5 Watts. For transistors VT5, VT7 made a small aluminum heatsink. The dimensions of the PCB 140h80mm.
Reprinted Url Of This Article:
http://www.seekic.com/circuit_diagram/Amplifier_Circuit/High_quality_monoblock_power_amplifier.html
Print this Page | Comments | Reading(3)
Code: