Published:2012/11/9 19:28:00 Author:Ecco | Keyword: mini - amplifier, speaker | From:SeekIC

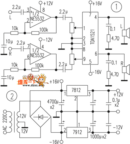
The amplifier part uses fidelity Manifold TDA1521, and its peripheral integrated circuit is extremely simple, and it has overheating, squelch, short circuit and other protection circuits, and it is suitable for homemade beginners. The first class uses the NE5532 for 10 times line amplifier. The coupling capacitor can use domestically CBB capacitors or tantalum capacitors. The previous level power can be gotten by 7815,7915 regulator, and the power transformer should use more than 30W. Bridge rectifier can use 3A full bridge. Amplifier part is shown in Figure 1, the power part of the circuit is shown in Figure 2.
Reprinted Url Of This Article:
http://www.seekic.com/circuit_diagram/Amplifier_Circuit/Homemade_mini___amplifier_and_speaker_circuit_diagram.html
Print this Page | Comments | Reading(3)
Code: