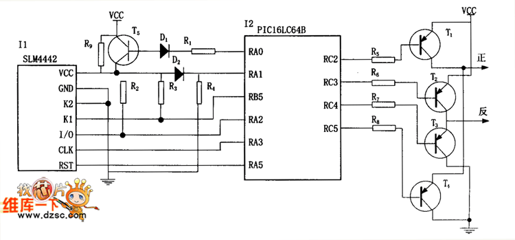
Published:2011/3/28 2:14:00 Author:Nicole | Keyword: IC card interface, solenoid valve drive | From:SeekIC

Reprinted Url Of This Article:
http://www.seekic.com/circuit_diagram/Amplifier_Circuit/IC_card_interface_and_solenoid_valve_drive_circuit_diagram.html
Print this Page | Comments | Reading(3)
Code: