Published:2009/7/3 1:39:00 Author:May | From:SeekIC

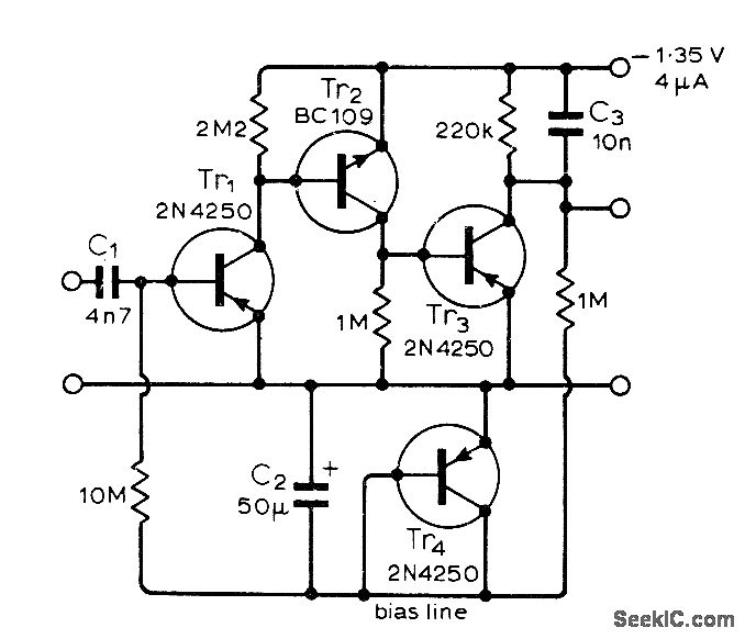
Designed for use in implanted transmitters monitoring brain and heart potentials. Requires only 4μA at 1.35 V.Voltage gain is 2000, and equivalent input noise only 10 μV P-P with 10-megohm source impedance. Tr1 is current-starved, but resulting limited bandwidth of about 5 kHz is acceptable for biological applications.-C. Horwitz, Micropower Low-Noise Amplifier, Wireless World, Dee. 1974, p 504.
Reprinted Url Of This Article:
http://www.seekic.com/circuit_diagram/Amplifier_Circuit/IMPLANT_AMPLIFIER.html
Print this Page | Comments | Reading(3)
Code: