Published:2009/7/3 3:03:00 Author:May | From:SeekIC


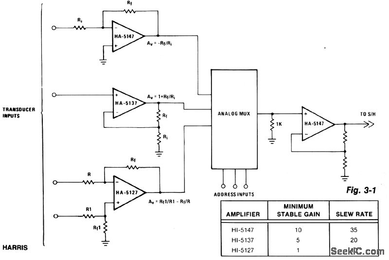
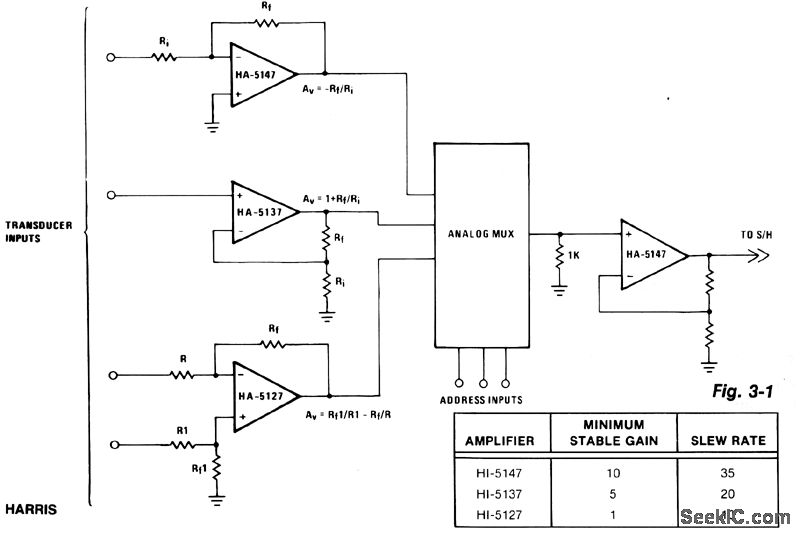
The precision input characteristics of the HA-5147 help simplify system error budgets, while its speed and drive capabilities provide fast charging of the multiplexer's output capacitance. This speed eliminates an increased multiplexer acquisition time, which can be induced by more limited amplifiers. The HA-5147 accurately transfers information to the next stage while effectively reducing any loading effects on the mul-tiplexer's output.
Reprinted Url Of This Article:
http://www.seekic.com/circuit_diagram/Amplifier_Circuit/INPUT_OUTPUT_BUFFER_AMPLIFIER_FOR_ANALOG_MULTIPLEXERS.html
Print this Page | Comments | Reading(3)
Code: