Published:2009/7/7 8:55:00 Author:May | From:SeekIC

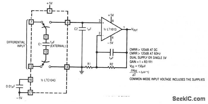
LTC1043 and LT1013 dual op amps are used to create a dual instrumentation amplifier using just two packages. A single DPDT section converts the differential input to a ground-referred single-ended signal at the LT1013's input. With the input switches closed, C1 acquires the input signal. When the input switches open, C2's switches close and C2 receives charge. Continuous clocking forces C2's voltage to equal the difference between the circuit's inputs. The 0.01-μF capacitor at pin 16 sets the switching fre-quency at 500 Hz. Common-mode voltages are rejected by over 120 dB and drift is low.
Reprinted Url Of This Article:
http://www.seekic.com/circuit_diagram/Amplifier_Circuit/INSTRUMENTATION_AMPLFIER.html
Print this Page | Comments | Reading(3)
Code: