Published:2009/7/1 0:59:00 Author:May | From:SeekIC

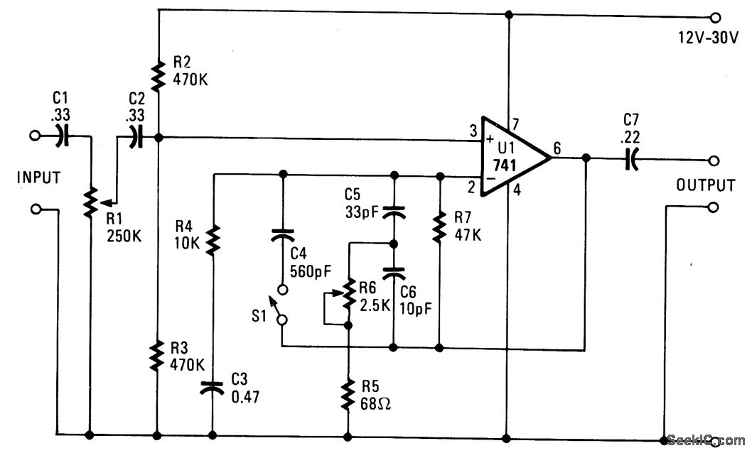
The input impedance is the value of potentiometer R1. If your instrument has extra-deep bass, change capacitor C1 to 0.5 μF. What appears to be an extra part in the feedback loop is a brightening tone control. The basic feedback from the op amp's output (pin 6) to the inverting input (pin 2) consists of resistor R7, and the series connection of resistor R4 and capacitor C3, which produce a voltage gain of almost 5 (almost 14 dB). That should be more extra oomph than usually needed. If the circuit is somewhat short on bass response, increase the value of capacitor C3 to 1 to 10μF. Start with 1 μF and increase the valud until you get the bass effect you want.
Reprinted Url Of This Article:
http://www.seekic.com/circuit_diagram/Amplifier_Circuit/INSTRUMENT_PREAMP.html
Print this Page | Comments | Reading(3)
Code: