About SeekIC | Services | Payment | Advertisements service | Contact Us | Links
© 2008-2012 SeekIC.com Corp.All Rights Reserved.
Published:2009/7/9 20:59:00 Author:May | From:SeekIC

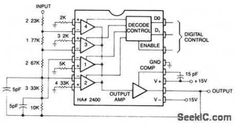
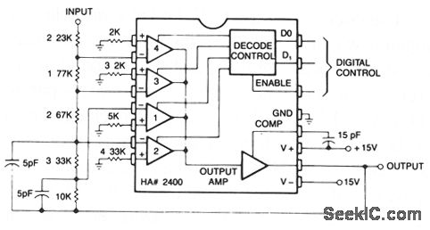
This circuit can be programmed for a gain of 0, -1, -2, -4, or -8. This could also be accom-plished with one input resistor and one feedback resistor per channel in the conventional manner, but this would require eight resistors, rather than five.
Reprinted Url Of This Article:
http://www.seekic.com/circuit_diagram/Amplifier_Circuit/INVERTING_PROGRAMMABLE_GAIN_AMPLIFIER.html
Print this Page | Comments | Reading(3)
Response in 12 hours
© 2008-2012 SeekIC.com Corp.All Rights Reserved.
Code: