Published:2011/4/11 4:17:00 Author:Rebekka | Keyword: IPM gate pole signal isolation driver | From:SeekIC

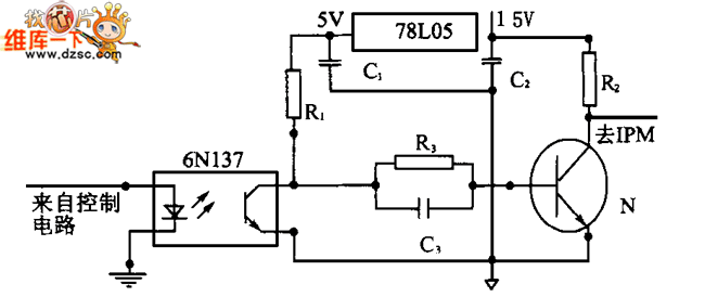
IPM gate pole signal isolation driver circuit diagramis shown as below.
Reprinted Url Of This Article:
http://www.seekic.com/circuit_diagram/Amplifier_Circuit/IPM_gate_pole_signal_isolation_driver_circuit_diagram.html
Print this Page | Comments | Reading(3)
Code: