Published:2011/8/17 3:17:00 Author:Rebekka | Keyword: Impulse amplifier | From:SeekIC

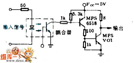
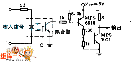
The circuit Motorola MOC 1000 optical isolator can make digital logic coupling use different supply voltages or different ground systems. At the same time, it provides almost complete isolation. The circuit can satisfy the instrumentation requirements in the transfer characteristic and have sufficient drive capability. It can be used for driving low input impedance loads.
Reprinted Url Of This Article:
http://www.seekic.com/circuit_diagram/Amplifier_Circuit/Impulse_amplifier_circuit_diagram.html
Print this Page | Comments | Reading(3)
Code: