Published:2011/7/21 18:56:00 Author:Joyce | Keyword: Inductive, Automatic , Switch | From:SeekIC

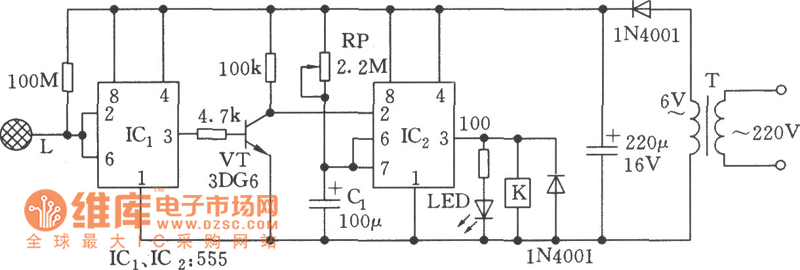
As shown in the figure, two 555s are the core of the automatic switch circuit, IC1 works as a trigger, and IC2 is used as a monostable time circuit. When the human body gets close to or touches the metal plate, IC1 will be triggered to overturn by the induction signal, so feet 3 will display a high level, and VT will be saturated and break over; IC2 will be triggered because feet 2 shows a low level (less than 1/3 VDD), turning into the state of temporary stability. Feet 3 will display a high level, K will actuate and the controlled equipment will be connected. Conversely, it will be disconnected. Timing time is: td = 1.1 RP C1, and it can be regulated by adjusting RP.
Reprinted Url Of This Article:
http://www.seekic.com/circuit_diagram/Amplifier_Circuit/Inductive_Automatic_Switch_Circuit.html
Print this Page | Comments | Reading(3)
Code: