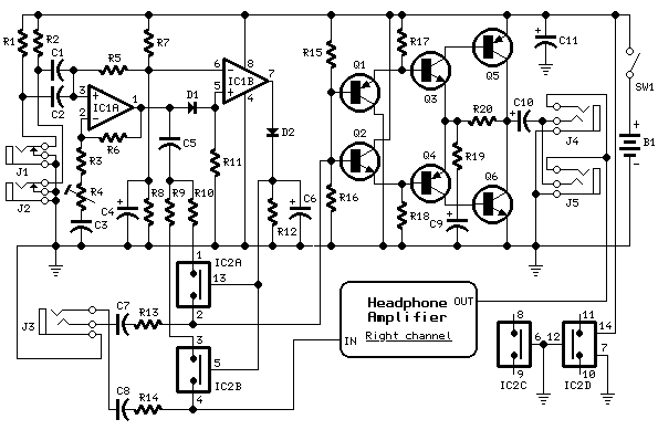
Published:2012/12/20 21:02:00 Author:muriel | Keyword: Intercom , fader | From:SeekIC

Reprinted Url Of This Article:
http://www.seekic.com/circuit_diagram/Amplifier_Circuit/Intercom_with_fader.html
Print this Page | Comments | Reading(3)
Code: