Published:2009/6/28 23:27:00 Author:May | From:SeekIC

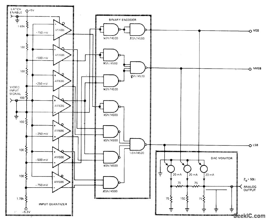
Seven Advanced Micro Devices AM686 comparators are arranged for direct parallel conversion of rapidly changing input signals, without prior sample-and-hold conditioning. Comparators feed Schottky TTL binary encoder logic for encoding to 3-bit offset binary. Quantization process is monitored by D/A converter. Article describes operation in detail and gives performance graphs which show freedom from output glitching at conversion speeds under 12 ns.—S.Dendinger,Try the Sampling Comparator in Your Next A/D Interface Design,EDN Magazine,Sept.20,1976,p 91—95.
Reprinted Url Of This Article:
http://www.seekic.com/circuit_diagram/Amplifier_Circuit/LATCH_COMPARATORS_FORM_3_BIT_A_D_CON_VERTER.html
Print this Page | Comments | Reading(3)
Code: