Published:2009/7/15 3:33:00 Author:Jessie | From:SeekIC

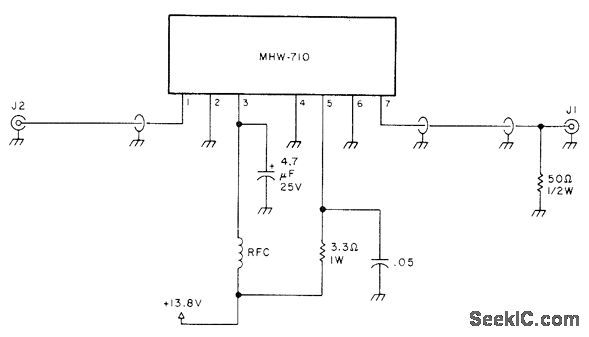
Motorola MHW-710 power module boosts 1-W output of VHF Engineering TX-432B crystal-controlled solidstate exciter to about 10 W for simple amateur TV transmitter. Interconnections are made with short lengths of FIG-174 coax. Input jack J1 is connected to exciter by 50 ft of RG-174, and length is gradually reduced until proper drive level is obtained for linear operation. RFC uses 8 turns No. 22 enamel on 1-megohm 1-W resistor. To cover 400-440 MHz, use MHW-710-1; for 440-470 MHz, use MHW-710-2.-R. E. Taggart, Interested in Television?, 73 Magazine, Oct. 1977, p 164-174.
Reprinted Url Of This Article:
http://www.seekic.com/circuit_diagram/Amplifier_Circuit/LINEAR_AMPLIFIER.html
Print this Page | Comments | Reading(3)
Code: