Published:2009/6/24 21:46:00 Author:May | From:SeekIC

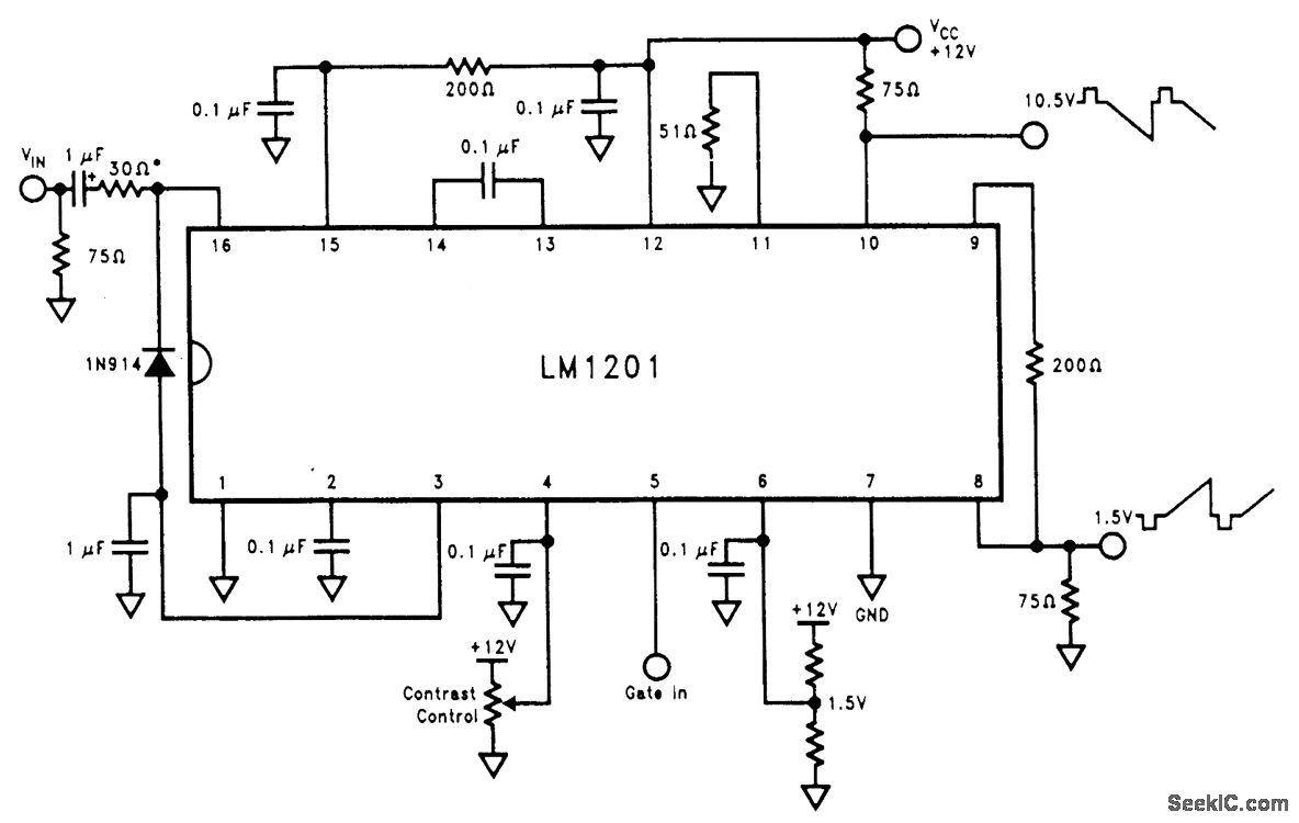
This video amplifier has 75-Ω bi-phase outputs.
Reprinted Url Of This Article:
http://www.seekic.com/circuit_diagram/Amplifier_Circuit/LM12O1_VIDEO_AMPLIFIER.html
Print this Page | Comments | Reading(3)
Code: