Published:2009/6/16 22:41:00 Author:May | From:SeekIC

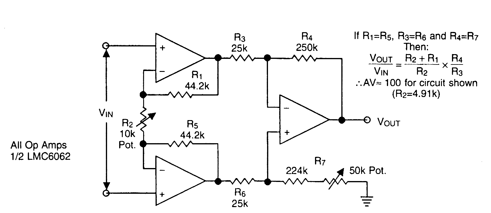
Useful for +5-V single-supply applications, this op amp circuit features low drain (around 1 mA), high input resistance (1014Ω), and low bias current (≈10-14A).
Reprinted Url Of This Article:
http://www.seekic.com/circuit_diagram/Amplifier_Circuit/LMC6062_INSTRUMENTATION_AMPLIFIER.html
Print this Page | Comments | Reading(3)
Code: