Published:2009/7/16 3:00:00 Author:Jessie | From:SeekIC

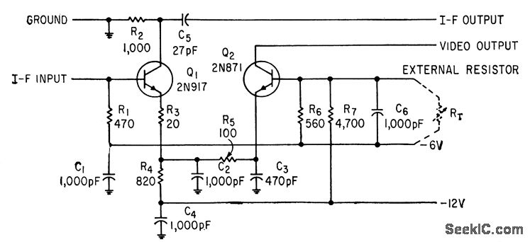
Un-tuned stages eliminate need for inductors in 60-Mc log i-f module while giving gain of 10 db,-R.Leslie and Townsend, Inductors No Problem: New Thin-Film Amplifier, Electionics,36:23, p 46-49.
Reprinted Url Of This Article:
http://www.seekic.com/circuit_diagram/Amplifier_Circuit/LOGARITHMIC_THIN_FILM_I_F_AMPLIFIER.html
Print this Page | Comments | Reading(3)
Code: