Published:2009/7/23 20:51:00 Author:Jessie | From:SeekIC

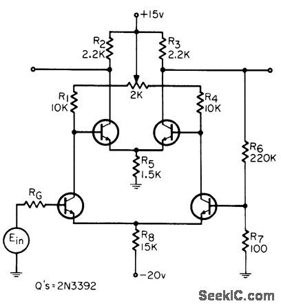
Determines when millivolt-range signal exceeds adjustable threshold. Circuit is similar to Schmitt trigger. Forward gain of amplifier is increased by adding second differential amplifier stage having two low-cost transistors and three resistors. Hysteresis can be as low as 2 mv, as compared to 100 mv in standard Schmitt.-R. M. Muth, Stable Threshold Circuit With Low Hysteresis, EEE, 14:1, p 64.
Reprinted Url Of This Article:
http://www.seekic.com/circuit_diagram/Amplifier_Circuit/LOW_LEVEL_THRESHOLD_DETECTOR.html
Print this Page | Comments | Reading(3)
Code: